
LDQ潜水型电磁流量传感器
■概述


| D1/d2 | 1.2 | 1.3 | 1.4 | 1.5 | 1.6 | 1.7 | 1.8 | 1.9 | 0.2 |
| 0.018 | 0.023 | 0.0255 | 0.028 | 0.03 | 0.0308 | 0.0315 | 0.0323 | 0.0332 | |
| 0.01 | 0.02 | 0.07 | 0.15 | 0.26 | 0.43 | 0.64 | 0.9 | 1.25 |

| 口径(mm) | 最大流量(m³/h) |
| 10 |
0.3 0.4 0.5 0.6 0.8 1 1.2 1.6 2 25 |
| 15 |
0.6 0.8 1 1.2 1.6 2 2.5 3 4 5 6 |
| 20 |
1.2 1.6 2 2.5 3 4 5 6 8 10 12 |
| 25 |
1.6 2 2.5 3 4 5 6 8 10 12 16 |
| 40 |
4 5 6 8 10 12 16 20 25 30 40 |
| 50 |
6 8 10 12 16 20 25 30 40 50 60 |
| 65 |
12 16 20 25 30 40 50 60 80 100 120 |
| 80 |
16 20 25 30 40 50 60 80 100 120 160 |
| 100 |
25 30 40 50 60 80 100 120 160 200 250 |
| 125 |
40 50 60 80 100 120 160 200 250 300 400 |
| 150 |
50 60 80 100 120 160 200 250 300 400 500 |
| 200 |
100 120 160 200 250 300 400 500 600 800 1000 |
| 250 |
160 200 250 300 400 500 600 800 1000 1200 1600 |
| 300 |
250 300 400 500 600 800 1000 1200 1600 2000 2500 |
| 350 |
300 400 500 6300 800 1000 1200 1600 2000 2500 3000 |
| 400 |
400 500 600 800 1000 1200 1600 2000 2500 3000 4000 |
| 500 |
600 800 1000 1200 1600 2000 2500 3000 4000 5000 6000 |
| 600 |
800 1000 1200 1600 2000 2500 3000 4000 5000 6000 8000 |
| 700 |
1200 1600 2000 2500 3000 4000 5000 6000 8000 10000 12000 |
| 800 |
1600 2000 2500 3000 4000 5000 6000 8000 10000 12000 16000 |
| 900 |
2000 2500 3000 4000 5000 6000 8000 10000 12000 16000 20000 |
| 1000 |
2500 3000 4000 5000 6000 8000 10000 12000 16000 20000 25000 |
| 1200 |
4000 5000 5000 8000 10000 12000 16000 20000 25000 30000 |
| 材料 | 耐 腐 蚀 性 能 |
|
耐酸钢 1Cr18Ni9Ti |
对硝酸,冷凝酸及其他无机酸,多种盐及碱的溶液,有机酸,海水等腐蚀性强。对硫酸,盐酸,氢氟酸,对沸腾的蚁酸,草酸,工业鉻酸,以及对碳酸钠及氯,溴,碘等介质化学稳定性差,不耐蚀。 |
|
含钼不锈钢 0Cr18Ni12Mo2Ti |
对50%以下的硝酸,室温5%以下的硫酸,碱溶液,沸腾的磷酸,蚁酸,一定压力下的亚硫酸,海水,醋酸等介质有较强的耐腐蚀性;不耐氢氟酸,盐酸,氯,溴,碘等介质。 |
|
哈氏合金B HastelloyB |
对沸点以下一切浓度的盐酸有良好的耐腐蚀性,也耐硫酸,磷酸,氢氟酸,有机酸等非氧化性酸,碱,非氧化性盐液的腐蚀。 |
|
哈氏合金C HastelloyC |
乃氧化性酸,如硝酸,混酸或鉻酸与硫酸的混合介质的腐蚀,也耐氧化性的盐类如Fe+3Cu+2或其他氧化剂的腐蚀。如高于常温的氯酸盐溶液;对海水的抗腐蚀性很好,对盐酸等还原性酸不适用。 |
| 钛Ti | 能乃海水,各种氯化物和次氯酸盐,氧化性酸(包括发烟硝酸)有机酸,碱等腐蚀,不能耐较纯的还原性酸(如硫酸盐酸)的腐蚀。但如酸中含有氧化剂(如硝酸Fe+++Cu++)时则腐蚀性大为降低。 |
| 钽 Ta |
具有优良的耐腐蚀性,和玻璃很相似,除了氢氟酸,发烟硫酸,几乎能耐一切化学介质(包括沸点的盐酸,硝酸和175℃以下的硫酸)的腐蚀。 在氢氧化钠等碱中不耐腐蚀。 |
| 衬里材料 | 主要性能 | 适用范围 |
|
聚四氟乙烯 PTFE |
|
1.-40℃~180℃。2.浓酸,碱等强腐蚀性介质。3.卫生类介质 |
|
氯丁橡胶 Neoprene |
1.有极好的弹性,高度的址断力,耐磨性能好。2.耐一般低浓度酸,碱,盐介质的腐蚀。不耐氧化性介质的腐蚀 | 1.≤80℃2.测一般水,污水,泥浆,矿浆。 |
|
聚氨酯橡胶 Polyurethane |
1.有极好的耐磨性能(相当于天然橡胶的十倍)2.耐酸,碱性能较差。 | 1.≤45℃。2.中性强磨损的矿浆,煤浆,泥浆 |


聚四氟乙烯(PTFE)衬里 聚四氟乙烯在压力下会变形,在安装时,法兰连接螺钉应均匀拧紧,如果用力不均匀,聚四氟乙烯管的翻边易压坏。因此,安装时最好用力矩扳手均匀地拧紧连接螺栓。
传感器接地
传感器产生的流量信号非常小,在满量程时也只有几个毫伏,所以传感器接地应良好,电磁流量计的接地要求有两个方面;
1)从电磁流量计的作用原理和流量感应信号电流的回路来分析,传感器和转换器的接地端必须与被测介质同电位。
2)接地。以人地为零电位,减少外界干扰。一般情况下,工艺管道都是金属管,本身都是接地的,这点要求很容易满足。但是住外界电磁场干扰较大的情况下,电磁流虽计应另行设性接地装置,接地线采用总
截面大于4mm2的多股铜线,传感器的接地线绝不能接在电机或其它设备的公共地线上,以避免漏电流的影响。
接地电阻应小于10欧姆。
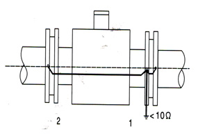
A、传感器在金属管道上安装(金属管道内壁没有绝缘涂层).按图8接地。

图8传感器在金属官道上安装时的接地示意图
B.传感器在塑料管道上或在有绝缘衬里的管道上安装.传感器的两端应安装接地环、或接地法兰、或带有接地电极的短管,按图9接地。使管内流动的被测介质与大地短路,具有零电位,否则,电磁流量计无法正常工作。

图9在塑料管道或有绝缘衬里的管道上安装时接地示意图
1、按地装置线(外界干扰较大时安装):2.仪表接地线(出厂附有):3、接地法兰成接地环
C、传惑器在阴极保护管道上安装时,必须在传感器的两端仔细安装接地环(或接地法兰).见图1 0。 因为,阴极保护的管道和地之间有一定的电位差,因此被测介质有很高的共模接地电位。所以 传感器必须使用接地环,否则,电磁流量计无法正常工作。

图10在阴极保护管道上安装时的接地示意图
3、按地法兰或按地环:必须与连接管道的法兰绝缘;4.螺拴(安装时应与让兰相互绝缘):5.连接导线:铜芯截面积约16mm2;使阴级保护电位与传感器之间相隔离
注意:
(1)按地环要装在传感器的二个端面上,它们必须与连接管道的法兰绝缘,通过接地线(2)与传感器、接地环相连,接地环的材质应能耐介质的腐蚀,制造厂提供的标准材料是不锈钠lCr18Ni9Ti。
(2)仪表二侧连接管的法兰应该用截面积为16mm2铜导线绕过传感器相连,使阴极保护电位与传感器之间隔离。
具有阴极防腐蚀保护的管道,传感器与两侧连接管道之间是绝缘的。安装时要注意下列各点:
●对管道法兰绝缘的接地环必须同时安装往流量计的两端、接地环、流量计和测量接地之间必须互相连接。
●管道法兰之问必须用铜质电缆(5)互相连接,但必须注意不要连到传感器上去。
●法兰连接螺栓必须绝缘(如下图)。用户必须使用绝缘材料制造的衬套和垫圈。


